Published:2012/10/22 21:51:00 Author:muriel | Keyword: Quartz Crystal Synchronizer, Pendulum Windup, Wall Clock | From:SeekIC

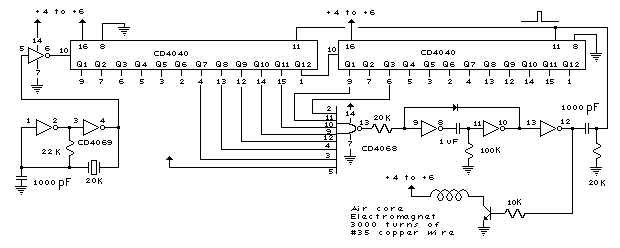
Mechanical Clock Project:Last year, I found a 31 day pendulum wall clock (dissambled) in a box ofparts at a swap meet and decided to try and put it together and regulateit with a quartz crystal oscillator. The escapement part that rocks backand forth and drives the pendulum was missing and had to be made froma couple razor blade pieces and heavy copper wire. The razor blade escapementworked well but only allowed the movement to advance as the pendulum swung,and would not sustain the pendulum motion by itself. But this wasn't aproblem since the quartz crystal divider circuit provides energy to thependulum with an electromagnet to keep it swinging with only a 5 seconderror per day. The 31 day mainspring was included, but I wanted to use aweight and drive wheel in place of the spring.The clock movement is made in Korea by Sau Jin LTD Dae Woo CO LTD and has no jewels. It measures 4.5 inches diameter by 1.5 inchesdeep plus 1.5 inches for the hands and drive wheel shafts, so the clockface and hands are about 3 inches from the wall. The pendulum periodis close to 53.4 complete swings per minute. Can't figure out why thatparticular period was used. I have seen similar movements on ebay.The clock pendulum was made using a 10 inch, 3/16 wooden dowel with astrong magnet attached to the bottom and a small weight near the topto adjust the period close to 53 beats per minute. The circuit boardand electromagnet to drive the pendulum are located on a small shelf(not shown) and positioned so the pendulum magnet swings close to thestationary electromagnet and receives a small pulse on each swing tosustain oscillation. The pulse duration is about 5% of the pendulumperiod and a LED is used to indicate the pulse output. The clock startsfairly easily by releasing the pendulum near the magnet when theLED flash is observed.
Reprinted Url Of This Article:
http://www.seekic.com/circuit_diagram/Control_Circuit/Quartz_Crystal_Synchronizer_for_Pendulum_Windup_Wall_Clock.html
Print this Page | Comments | Reading(3)
Code: