Published:2009/7/24 2:44:00 Author:Jessie | From:SeekIC

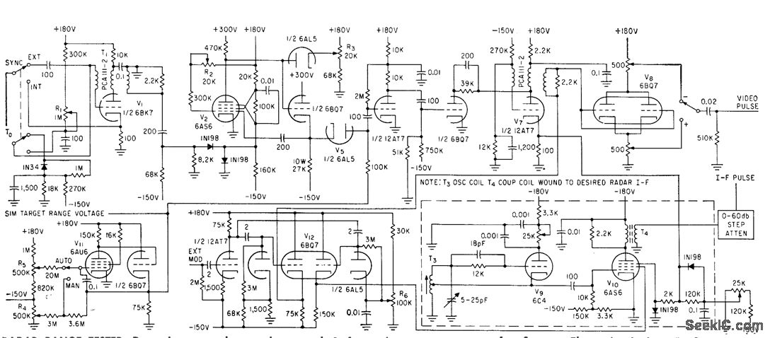
Dynamic target simulator independently generates time-delayed fixed or moving target pulses for target rates above mach 3, for testing range accuracy of airborne automatic-tracking radar.-O. B. Mitchell, Simulator Tests Radar Trucking Systems, Electronics, 34:8, p 51-53.
Reprinted Url Of This Article:
http://www.seekic.com/circuit_diagram/Control_Circuit/RADAR_RANGE_TESTER.html
Print this Page | Comments | Reading(3)
Code: