Published:2009/7/23 22:34:00 Author:Jessie | From:SeekIC

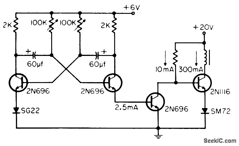
Two 100K variable resistors control on and off times. Gives time delays from 0.3 to 6 sec.-P. Gheorghiu, Recycling Timing with Variable Duty-Cycle, EEE, 13:4, p 41.
Reprinted Url Of This Article:
http://www.seekic.com/circuit_diagram/Control_Circuit/RECYCLING_WITH_VARIABLE_DUTY_CYCLE.html
Print this Page | Comments | Reading(3)
Code: