Published:2009/7/22 22:49:00 Author:Jessie | From:SeekIC


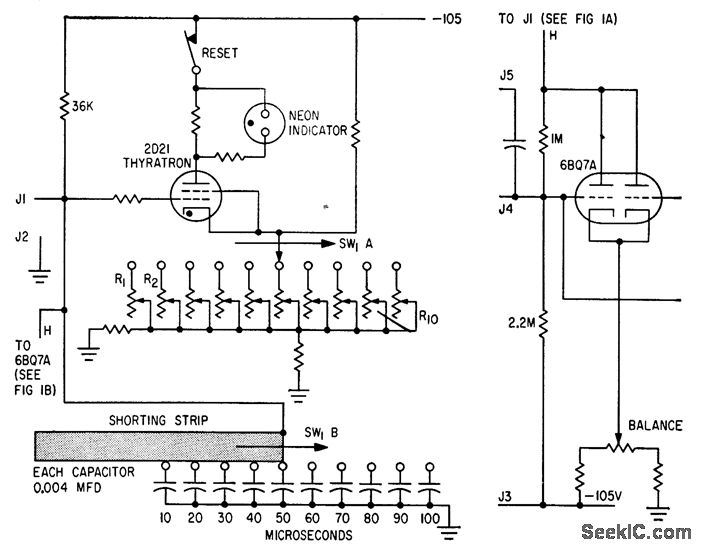
Monitors either open or closed contacts, in 10-microsec increments for intervals of from 10 to 100 microsec. Thyratron conducts if relay contacts remain open (or closed) longer than pre determined interval. Inverter (at right) triggers thyratron during testing of contacts, and is normally open Contacts under test are connected to J3 and J4.-E. H. Kopp, Production Line Checker for Relay Contact Chatter, Electronics, 33:21, p 94-95.
Reprinted Url Of This Article:
http://www.seekic.com/circuit_diagram/Control_Circuit/RELAY_CONTACT_CHATTER_TESTER.html
Print this Page | Comments | Reading(3)
Code: