Published:2009/7/20 1:41:00 Author:Jessie | From:SeekIC

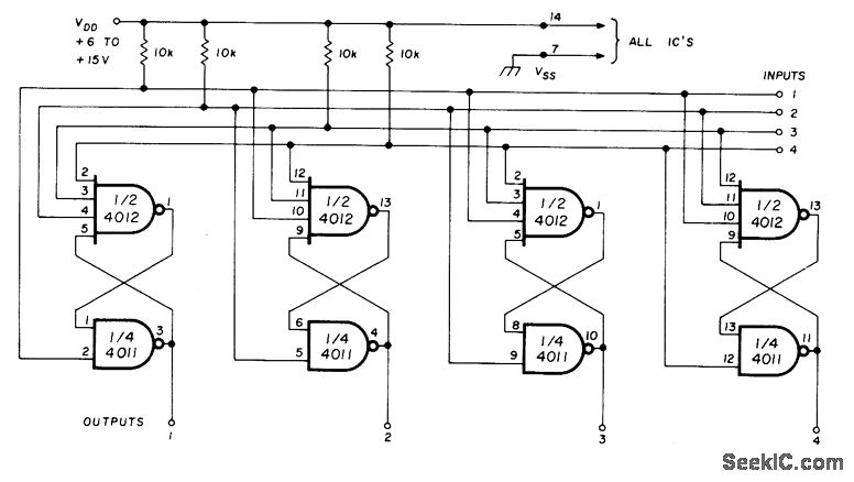
Uses four flip-flops, each having one 4-input and one 2-input CMOS NAND gate. Momentarily grounding any input drives corresponding output high and all other outputs low, Unless power is interrupted, additional pulses on same input have no effect; circuit remains stable until some other input is momentarily grounded. Outputs can be used to drive other logic devices directly or through buffer if current required exceeds 10 mA. Can be used for remote frequency control of VHF transceiver and for other applications requiring remote selection of mutually exclusive functions.-P. Shreve, Remote-Switching Circuit, Ham Radio, March 1978, p114.
Reprinted Url Of This Article:
http://www.seekic.com/circuit_diagram/Control_Circuit/REMOTE_SWITCHING.html
Print this Page | Comments | Reading(3)
Code: