Published:2009/7/7 2:59:00 Author:May | From:SeekIC

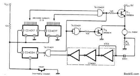
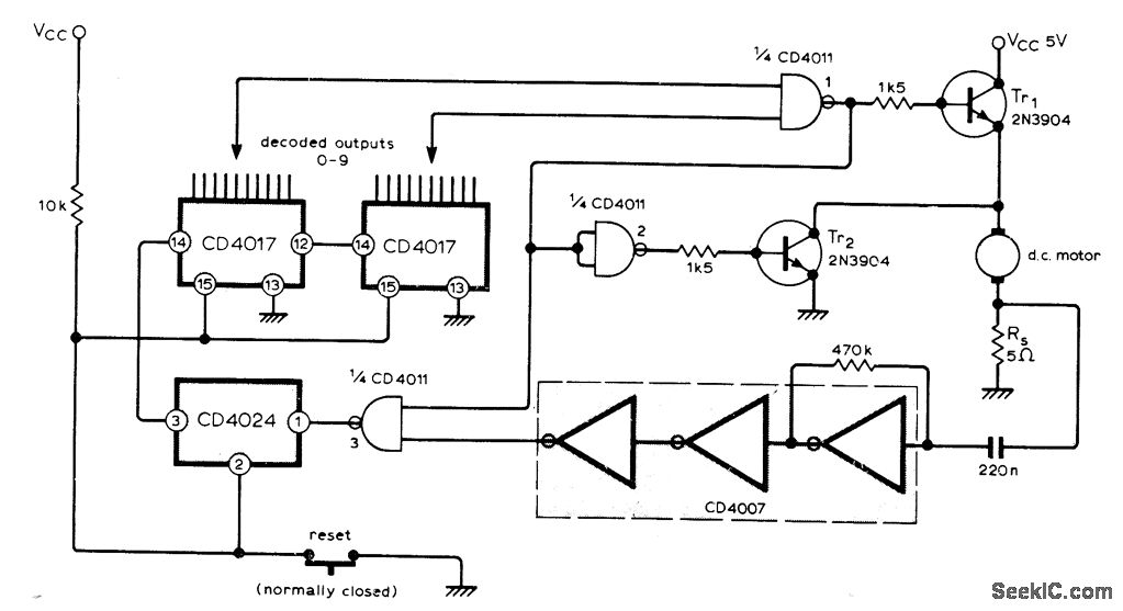
When desired number of revolutions is reached by DC motor, as determined by preset counter, Tr1, is turned off to interrupt path to 5-V motor supply, while TR2 is turned on to brake motor rapidly. Voltage developed across 5-ohm resistor Rs, in series with motor contains frequency component related to speed of rotation and number of armature coils. This signal is amplified by CD4007 CMOS inverter for feeding to counters through signal-squaring inverters. Counter out-puts are decoded by gate 1. Motor slowdown by heavy loads does not affect accuracy of revolution-counting.-R. McGillivray, Motor Revolutions Control, Wireless World, Jan. 1977, p 76.
Reprinted Url Of This Article:
http://www.seekic.com/circuit_diagram/Control_Circuit/REVOLUTION_COUNTING_CONTROL.html
Print this Page | Comments | Reading(3)
Code: