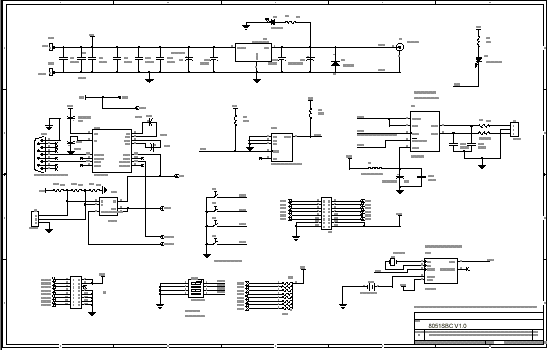
Published:2013/1/29 1:49:00 Author:muriel | Keyword: RS232, RS485, DC supply, EEPROM, ADC, RTC, keypad, debug LED. | From:SeekIC

Reprinted Url Of This Article:
http://www.seekic.com/circuit_diagram/Control_Circuit/RS232_RS485_DC_supply_EEPROM_ADC_RTC_keypad_debug_LED.html
Print this Page | Comments | Reading(3)
Code: