Published:2011/5/25 20:50:00 Author:Christina | Keyword: Recorder, remote display | From:SeekIC

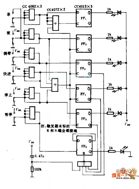
The CC4082 connects into the positive feedback, and trigger is composed of the CC4082 and the bar function switch to guarantee the output electrical signals has no jitter. The or door or the trigger simulates the operating logic of the recorder to make the six LEDs respectively indicate the states of recording, playing, tape rewinding, FF, stop and the pause.
The CC4013 drives the light-emitting diode directly, the current limiting is 4 to 5mA. You can choose the Q port to drive the LED, the purpose is the Q port and the logic stance is irrelevant. If the output current reduces when it is over-driving, it will not influence the logical state of Q.
Reprinted Url Of This Article:
http://www.seekic.com/circuit_diagram/Control_Circuit/Recorder_remote_display_circuit.html
Print this Page | Comments | Reading(3)
Code: