Published:2009/7/24 23:45:00 Author:Jessie | From:SeekIC

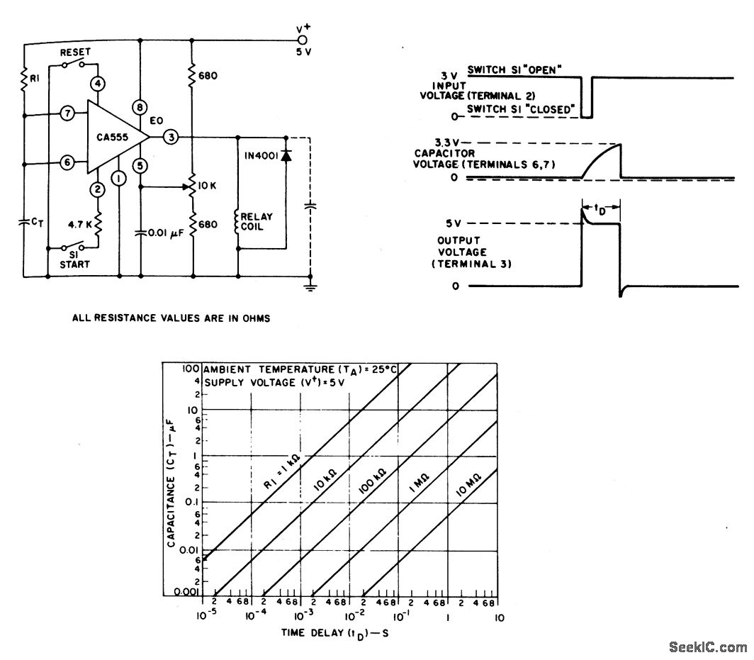
This circuit shows how a CA555 timer can be connected for monostable operation. Figure 3-13B shows typical waveforms. Figure 3-13C shows time delay versus RC for various values of R1 and C1.
Reprinted Url Of This Article:
http://www.seekic.com/circuit_diagram/Control_Circuit/Reset_timer_monostable_operation.html
Print this Page | Comments | Reading(3)
Code: