Published:2009/7/24 4:09:00 Author:Jessie | From:SeekIC

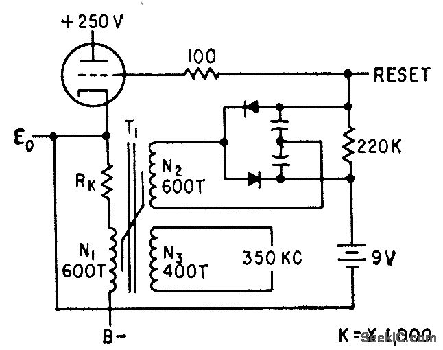
Offers operating simplicity, high speed, and low cost. Transistor model can switch in less than 0.5 microsec. Current through N1, when V1 conducts, saturates core of T1.-W. J. Reap, Simple Latch Circuit Uses Saturable Reactor, Electronics, 33:2, p 66.
Reprinted Url Of This Article:
http://www.seekic.com/circuit_diagram/Control_Circuit/SATURABLE_REACTOR_LATCH.html
Print this Page | Comments | Reading(3)
Code: