Published:2009/7/13 1:47:00 Author:May | From:SeekIC

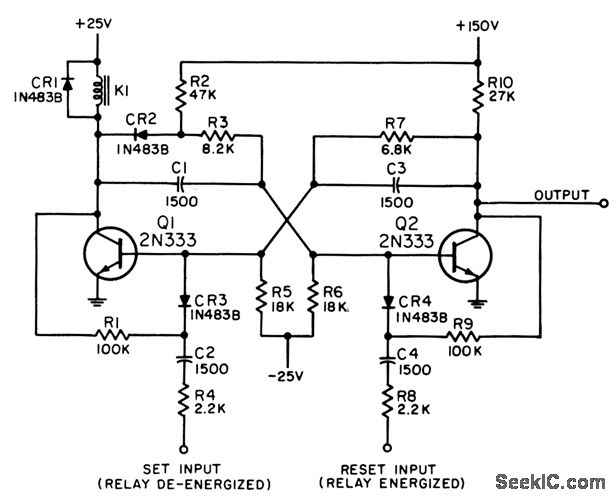
Used with relays and other electromechanical devices where current ratio must be 10 between on and off conditions. Operation is same as Eccles-Jordan, except that current drive for holding Q2 on is furnished through R2 and R3 rather than through Q1 collector load.Designed for relay that is energized by 8ma and drops out at 0.5 ma, Trigger input should be between 14 and 20V, with rise time of 10 microsec. Input circuit needs 5 millisec to recover from positive signal before next trigger is applied. 2N333 has been dropped from Preferred List, but 2N335 can be used if operating point is adjusted for its higher beta.-NBS, Handbook Preferred Circuits Navy Aeronautical Electronic Equipment, Vol, II, Semiconductor Device Circuits, PSC 17 (originally PC 251), p17-2.
Reprinted Url Of This Article:
http://www.seekic.com/circuit_diagram/Control_Circuit/SATURATING_MVBR_ON_OFF_CONTROL.html
Print this Page | Comments | Reading(3)
Code: