Published:2009/7/24 3:33:00 Author:Jessie | From:SeekIC



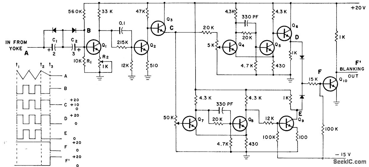
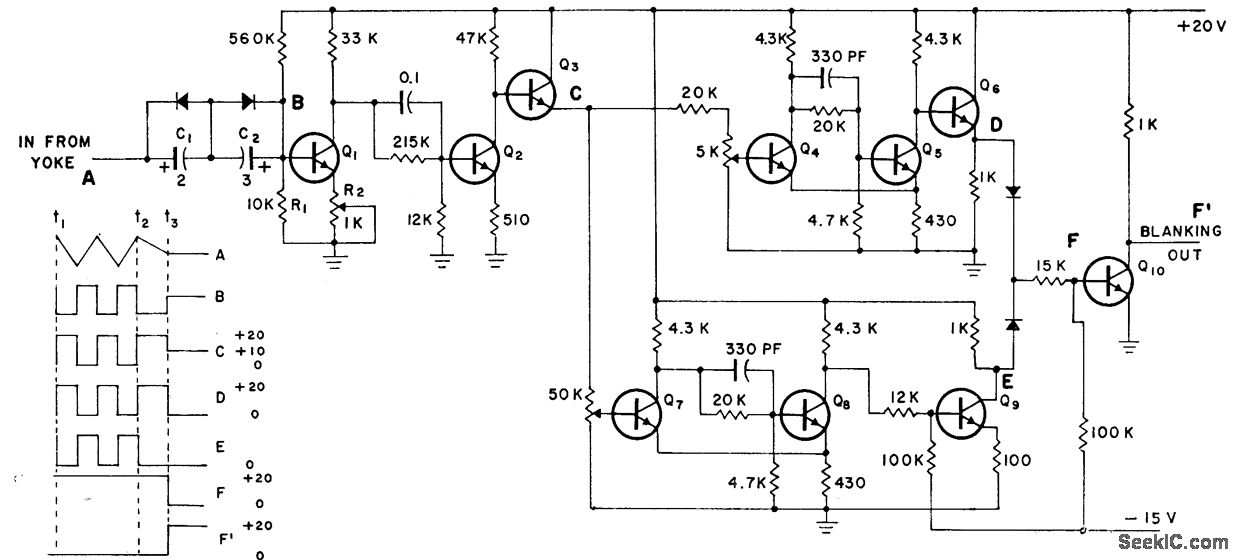
Prevents burning of phosphor on face of flying-spot stunner if sweep is lost. Consists of differentiator-amplifier, high and low-level detector, inverter, and summing and blanking generator. All transistors are 2N1302, and all diodes are 1N497.-Flying Spot Scanner Sweep Alarm, Electronic Circuit Design Handbook, Mactier Pub. Corp., N.Y., 1965, p 125.
Reprinted Url Of This Article:
http://www.seekic.com/circuit_diagram/Control_Circuit/SCANNER_SWEEP_FAILURE_ALARM.html
Print this Page | Comments | Reading(3)
Code: