© 2008-2012 SeekIC.com Corp.All Rights Reserved.
Published:2013/3/6 3:13:00 Author:Ecco | Keyword: 10 Amp , Solar Charge Controller | From:SeekIC

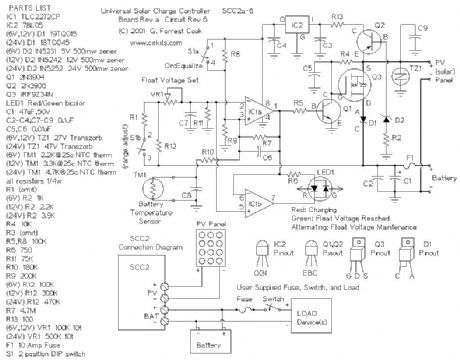
The SCC2 is a solar charge controller, its function is to regulate the power flowing from a photovoltaic panel into a rechargeable battery. It features easy setup with one potentiometer for the float voltage adjustment, an equalize function for periodic overcharging, and automatic temperature compensation for better charging over a range of temperatures.
The goal of the circuit design was to make a charge controller with analog simplicity, high efficiency, and reliability. A medium power solar system can be built with a 12V solar panel up to 10 amps, the SCC2, and a rechargeable battery. The SCC2 works with lead acid, NiCD and NiMH batteries with ratings from less than one to several hundred amp-hours. With the appropriate parts selection, the SCC2 can be operated at 6V, 12V, 24V or other voltages.
Reprinted Url Of This Article:
http://www.seekic.com/circuit_diagram/Control_Circuit/SCC2_10_Amp_Solar_Charge_Controller.html
Print this Page | Comments | Reading(3)
Response in 12 hours
© 2008-2012 SeekIC.com Corp.All Rights Reserved.
Code: