Published:2009/7/21 10:21:00 Author:Jessie | From:SeekIC

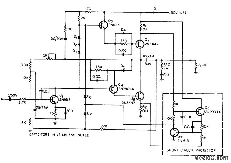
Utilizes practically entire supply voltage to produce usable power output, provides fail-safe overload protection, and stabilizes bias current. Any temporary overload or current surge will turn off drive to output stage. Circuit must be reset manually, by turning S1 off, removing cause of overload, and turning S1 on again. Circuit will limit peak current in output transistors Q3 and Q5 to about 5 amp.-W. O. Hamlin, Transformer. less Amplifier with Overload Protection, EEE, 12:9, p 42-44.
Reprinted Url Of This Article:
http://www.seekic.com/circuit_diagram/Control_Circuit/SHORT_CIRCUITABLE_30_W_AUDIO_AMPLIFIER_.html
Print this Page | Comments | Reading(3)
Code: