Published:2009/7/21 21:32:00 Author:Jessie | From:SeekIC

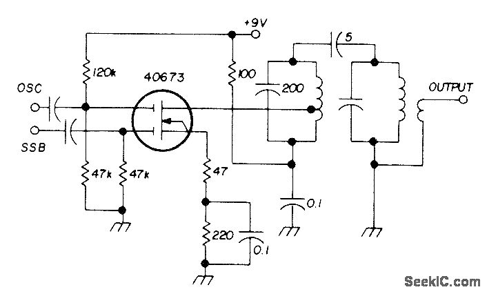
Used as transmitting mixer in SSB transceiver made by Sideband Associates for radiomarine communication in 2-23 MHz range. Low-frequency sideband signal and high-frequency oscillator signal are mixed to produce higher sum frequency at output.Double-tuned resonant circuit provides adequate output bandwidth and excellent skirt rejection of undesired frequency components.-E. Noll, MOSFET Circuits, Ham Radio, Feb. 1975, p 50-57.
Reprinted Url Of This Article:
http://www.seekic.com/circuit_diagram/Control_Circuit/SIDEBAND_MIXER.html
Print this Page | Comments | Reading(3)
Code: