Published:2009/7/21 22:44:00 Author:Jessie | From:SeekIC

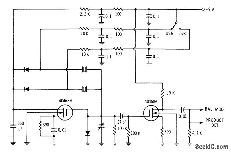
circuit uses diode switching of crystals in carrier oscillator to select either upper or lower sideband. Second transistor serves as common-source isolating amplifier for driving modulator. Switch applies +9V to anode of diode that closes feedback circuit for crystal to be activated. Developed for use in SSB transceiver; if operating in 9-MHz range, crystals can be 8.9985 MHz and 9.0015 MHz.-E. M. Noll, FET Principles, Experiments, and Projects, Howard W. Sams, Indianapolis, IN, 2nd Ed., 1975, p 191-192.
Reprinted Url Of This Article:
http://www.seekic.com/circuit_diagram/Control_Circuit/SIDEBAND_SELECTOR_MOSFET.html
Print this Page | Comments | Reading(3)
Code: