© 2008-2012 SeekIC.com Corp.All Rights Reserved.
Published:2009/7/1 3:29:00 Author:May | From:SeekIC

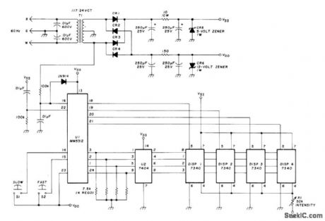
Use of 60-Hz power frequency as time base simplifies design while still giving Iong-term accuracy comparable to that of crystal time base. Four-digit display uses Hewlett-Packard 5082-7340 displays requiring only simple four-Iine BCD input. National MM5312N IC divides Iine frequency down to one pulse per minute and advances its internal storage register at same rate. Output of register is in binary form at pins 1, 2, 3, and 24, synchronized with digit-enable outputs at pins 18, 19, 20, and 21. Binary data is thus applied to all four displays in parallel, with enable lines controlling data feed. SN7404N inverter converts binary output data to TTL level required by displays.Power supply provides +5 V and -12 V for ICs and 60-Hz reference for clock check. CR5 is Radio Shack 276-561, CR6 is 276-563, and CR1-4 are 276-1146.-K. Powell, 24-Hour Clock with Digital Readout and Line-Frequency Time Base, Ham Radio, March 1977, p 44-48
Reprinted Url Of This Article:
http://www.seekic.com/circuit_diagram/Control_Circuit/SIMPLE_24_h_CLOCK.html
Print this Page | Comments | Reading(3)
Response in 12 hours
© 2008-2012 SeekIC.com Corp.All Rights Reserved.
Code: