Published:2009/7/15 4:53:00 Author:Jessie | From:SeekIC

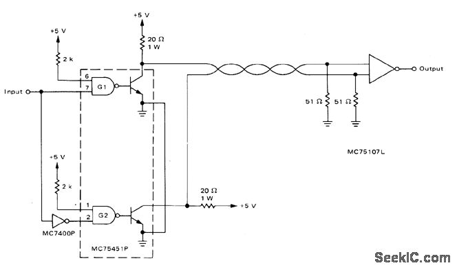
Motorola MC75451P driver and external components shown provide differential signal for twisted-pair transmission line from single +5 V supply. External gate provides required input phase reversal to gate G2 of IC. Each output ofIC varies between 0.5 V and 3.6 V, so net differential voltage driven into line is about 6 V. Only receiver end of line is terminated in its characteristic impedance, since arrangement is intended only for point-to-point transmission. -T. Hopkins, Line Driver and Receiver Considerations, Motorola, Phoenix, AZ, 1978, AN-708A, p 12.
Reprinted Url Of This Article:
http://www.seekic.com/circuit_diagram/Control_Circuit/SINGLE_SUPPLY_LINE_DRIVER.html
Print this Page | Comments | Reading(3)
Code: