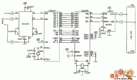
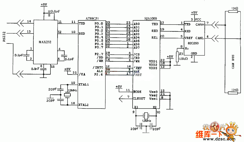
Published:2011/8/25 1:03:00 Author:Ecco | Keyword: CAN controller application | From:SeekIC

Reprinted Url Of This Article:
http://www.seekic.com/circuit_diagram/Control_Circuit/SJA1000_CAN_controller_application_circuit_diagram.html
Print this Page | Comments | Reading(3)
Code: