Published:2009/7/16 2:33:00 Author:Jessie | From:SeekIC

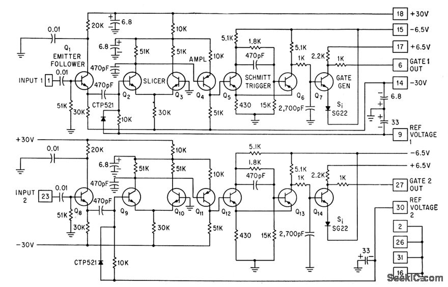
When peak-to-peak value of input signal exceeds preset reference voltage, slicer Q2 conducts, making Q4 apply amplified signal to Schmitt trigger for squaring. Q7 then delivers output ate that changes fixed-gain amplifier to unity gain to give effect of fast agc for monopulse radar amplifier.- W. W. Smith, Fast AGC Amplifier Locks Monopulse Radar on Target Electronics, 36:39, p 34-36.
Reprinted Url Of This Article:
http://www.seekic.com/circuit_diagram/Control_Circuit/SLICER_AND_GATE_FOR_AGC.html
Print this Page | Comments | Reading(3)
Code: