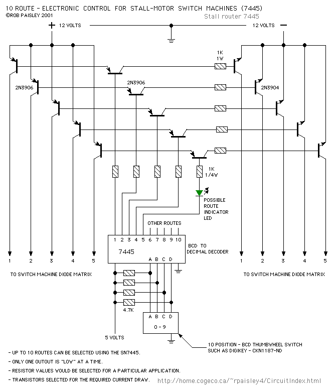
Published:2013/6/5 21:33:00 Author:muriel | Keyword: SN7445 , Based - Electronic Control , Track Routing schematic | From:SeekIC

Reprinted Url Of This Article:
http://www.seekic.com/circuit_diagram/Control_Circuit/SN7445_Based___Electronic_Control_Of_Track_Routing_schematic.html
Print this Page | Comments | Reading(3)
Code: