Published:2009/6/29 21:52:00 Author:May | From:SeekIC



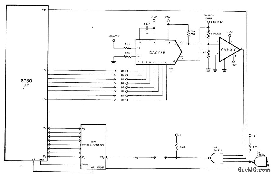
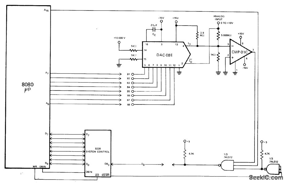
Innovative software for Intel 8080A microprocessor eliminates need for peripheral isolation devices when using Precision Monolithics DAC-08E D/A converter and CMP-01C comparator for 8-bit A/D conversion. Technique can easily be expanded to 10-bit or 12-bit conversions and adapted to other microprocessors. Logic of microprocessor replaces conventional successive-approximation register. 8 lowest-order address bits control data bit input to DAC, using software given in article.—W. Ritmanich and W. Freeman, Software Controlled Analog to Digital Conversion Using DAC-08 and the 8080A Microprocessor, Precision Monolithics, Santa Clara, CA, 1977, AN-22 p 3.
Reprinted Url Of This Article:
http://www.seekic.com/circuit_diagram/Control_Circuit/SOFTWARE_CONTROL.html
Print this Page | Comments | Reading(3)
Code: