Published:2009/7/22 1:36:00 Author:Jessie | From:SeekIC

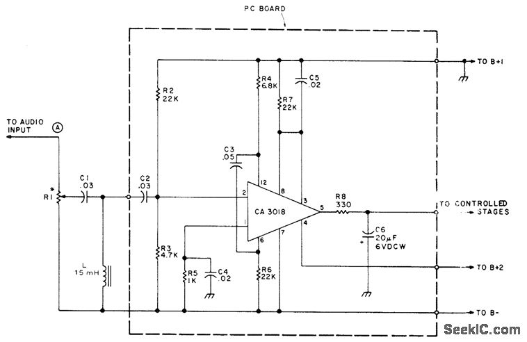
Designed for use with any solid-state receiver having discrete transistor audio stages. Uses RCA CA3018 IC containing four NPN transistors, connected here to give noise amplifier that drives DC bias control stage acting on switching transistor for AF stages of receiver (one transistor in IC is unused). Designed for circuits having positive supply-voltage ground; for negative-ground circuits, reverse polarity of 06 and connect C4 to negative ground. R1 should be about 5 times resistance of volume control in receiver. B+1 should not exceed +12 VDC and can be as low as 6V. B+2 is 3.5 V. Squelch is used chiefly when monitoring police bands on radio.-P. A. Lovelock, The Postage Stamp Squelcher, 73 Magazine, May 1975, p 103-105.
Reprinted Url Of This Article:
http://www.seekic.com/circuit_diagram/Control_Circuit/SQUELCH_ADAPTER.html
Print this Page | Comments | Reading(3)
Code: