Published:2009/7/22 2:03:00 Author:Jessie | From:SeekIC

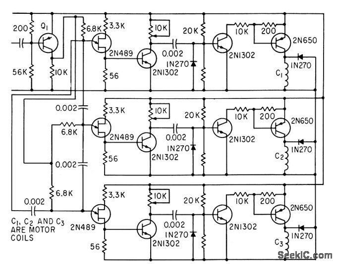
Unijunction ring counter energizes winding of stepper motor sequentially,-F.W. Kear, Digital Control Uses Unijunction Transistors, Electronics, 34:18, p 79-80.
Reprinted Url Of This Article:
http://www.seekic.com/circuit_diagram/Control_Circuit/STEPPER_MOTOR__PULSE__GENERATOR.html
Print this Page | Comments | Reading(3)
Code: