Published:2009/7/21 1:16:00 Author:Jessie | From:SeekIC

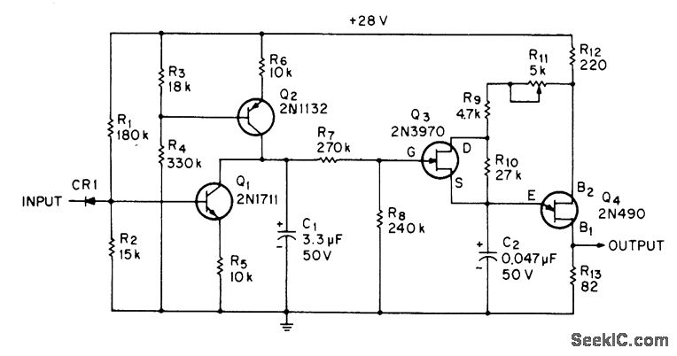
Variable UJT oscillator generates train of pulses under control of digital input logic levels, at 1000 pulses per second for logic 1 or 4400 pulses per second for logic 0, with smooth transitions between rates when logic changes, for driving stepping servomotor. Q1 and Q2 are constant-current sources. JFET Q3 acts as voltage-controlled variable resistor in parallel with R10, controlling pulse rate of UJT oscillator Q4.-C.R.Forbes.Step-Servo Motor Slew Generator. EEE Magazine.Oct.1970,p76-77.
Reprinted Url Of This Article:
http://www.seekic.com/circuit_diagram/Control_Circuit/STEP_SERVO_CONTROL.html
Print this Page | Comments | Reading(3)
Code: