© 2008-2012 SeekIC.com Corp.All Rights Reserved.
Published:2011/7/8 1:33:00 Author:Fiona | Keyword: Saving lighting | From:SeekIC


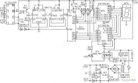
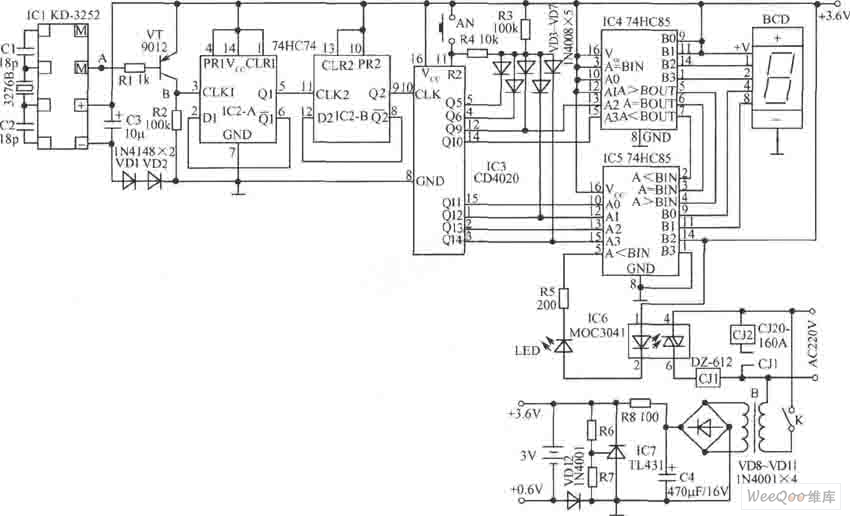
At time t1,the M of IC1 is in a high impedance state, VT cuts off; at the time t2, the M of IC1 outputs the negative pulse, VT conducts and outputs qualified clock signal CLK1 from VT collector. IC2 is a dual D flip-flop,it feedbacks the reversed output terminalto the data input terminal D to connect 2 divider, the data output terminal Q1 of IC2-A and clock input terminal CLK2 of IC2-B are connected to make up a 4 divider, the 4-frequency signal inputs into IC3 to do 14 divide, so that the second signal does 18 divide, the 14 divide state of the IC3 is shown in table.
Reprinted Url Of This Article:
http://www.seekic.com/circuit_diagram/Control_Circuit/Saving_lighting_control_circuit.html
Print this Page | Comments | Reading(3)
Response in 12 hours
© 2008-2012 SeekIC.com Corp.All Rights Reserved.
Code: