Published:2011/5/27 6:17:00 Author:Sue | Keyword: Scintillation, Caution Light | From:SeekIC

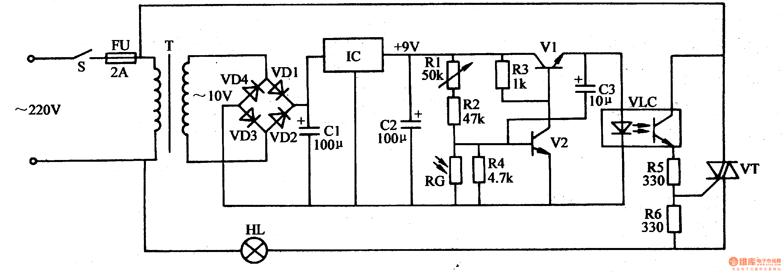
When the circuit begins to work, V1 will output oscillator current. When the current goes through the LED, the LED will be illuminated from time to time. HL is twinkling.
When it is in the daytime, RG has a low resistance value, and the voltage is low too. V2 is disconnected and the circuit doesn't work. HL is not illuminated. When it is in the dark, RG's resistance value becomes larger and the voltage becomes higher. Multivibrator consists of V1 V2 begins to work. The red scintillation caution light HL will begin to twinkle.
Reprinted Url Of This Article:
http://www.seekic.com/circuit_diagram/Control_Circuit/Scintillation_Caution_Light_1.html
Print this Page | Comments | Reading(3)
Code: