Published:2011/6/3 5:24:00 Author:Sue | Keyword: Scintillation, Caution, Light | From:SeekIC

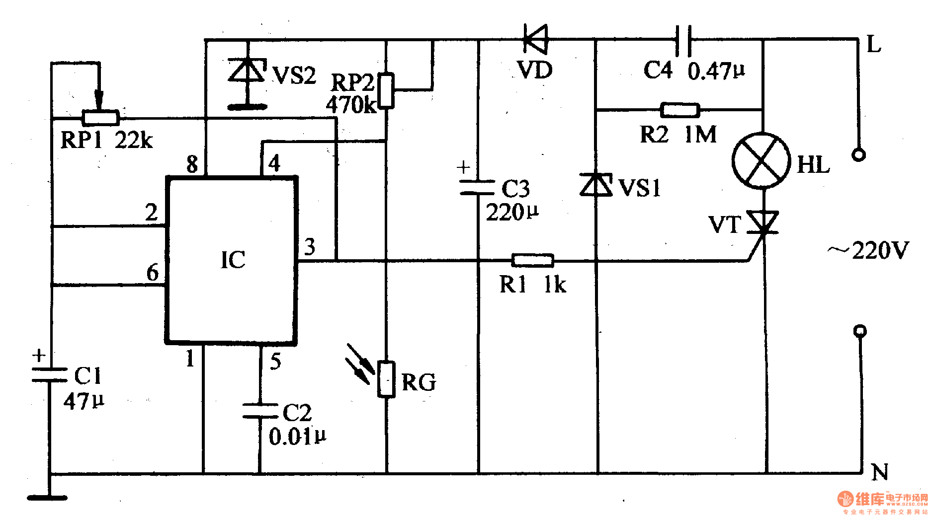
In the daytime, resistance RG has a low resistance value because of the light. IC's 4 pin has a voltage lower than 0.4V. The multivibrator doesn't work. 3 pin outputs low level, and VT is disconnected. HL is not illuminated.
When there is no light, RG has a high resistance value. IC's 4 pin has a voltage higher than 0.4V. The multivibrator begins to work. IC's 3 pin outputs high level and low level with a certain frequency. VT is connected from time to time. HL begins to twinkle.
Reprinted Url Of This Article:
http://www.seekic.com/circuit_diagram/Control_Circuit/Scintillation_Caution_Light_2.html
Print this Page | Comments | Reading(3)
Code: