Published:2011/6/3 5:30:00 Author:Sue | Keyword: Scintillation, Caution, Light | From:SeekIC

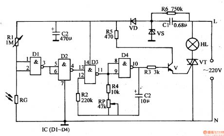
In the daytime, RG has a low resistance value. IC's 1 pin and 2 pin have low level and 3 pin has high level. The low frequency oscillator doesn't work. IC's 10 pin outputs oscillator signals and V is disconnected. VT is disconnected and HL is not illuminated.
When there is no light, RG has a high resistance value. IC's 1 pin and 2 pin have high level. 3 pin has low level and 4 pin has high level. The oscillator begins to work. IC's 10 pin outputs low frequency oscillator signals. V and VT are connected and HL is illuminated.
Reprinted Url Of This Article:
http://www.seekic.com/circuit_diagram/Control_Circuit/Scintillation_Caution_Light_3.html
Print this Page | Comments | Reading(3)
Code: