Published:2011/6/3 5:35:00 Author:Sue | Keyword: Scintillation, Caution, Light | From:SeekIC

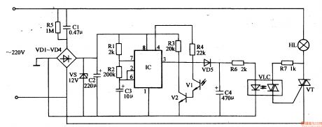
When the oscillator begins to work, IC's 3 pin outputs 1 Hz low frequency square form wave signals. When the signal is positive, VD5 is connected and VLC's LED is illuminated. VT is connected and HL is illuminated.
When the signal is negative, VD5 is disconnected. VLC's LED has a weaker light and HL's light becomes weaker.
Before HL goes out, another positive signal comes and it is illuminated again.
In the daytime, V2 is connected and IC's 4 pin has a low level. VLC and VT are disconnected. HL is not illuminated.
At night, VI has a high resistance value and IC begins to work.
Reprinted Url Of This Article:
http://www.seekic.com/circuit_diagram/Control_Circuit/Scintillation_Caution_Light_4.html
Print this Page | Comments | Reading(3)
Code: