Published:2011/6/3 5:45:00 Author:Sue | Keyword: Scintillation, Caution, Light | From:SeekIC

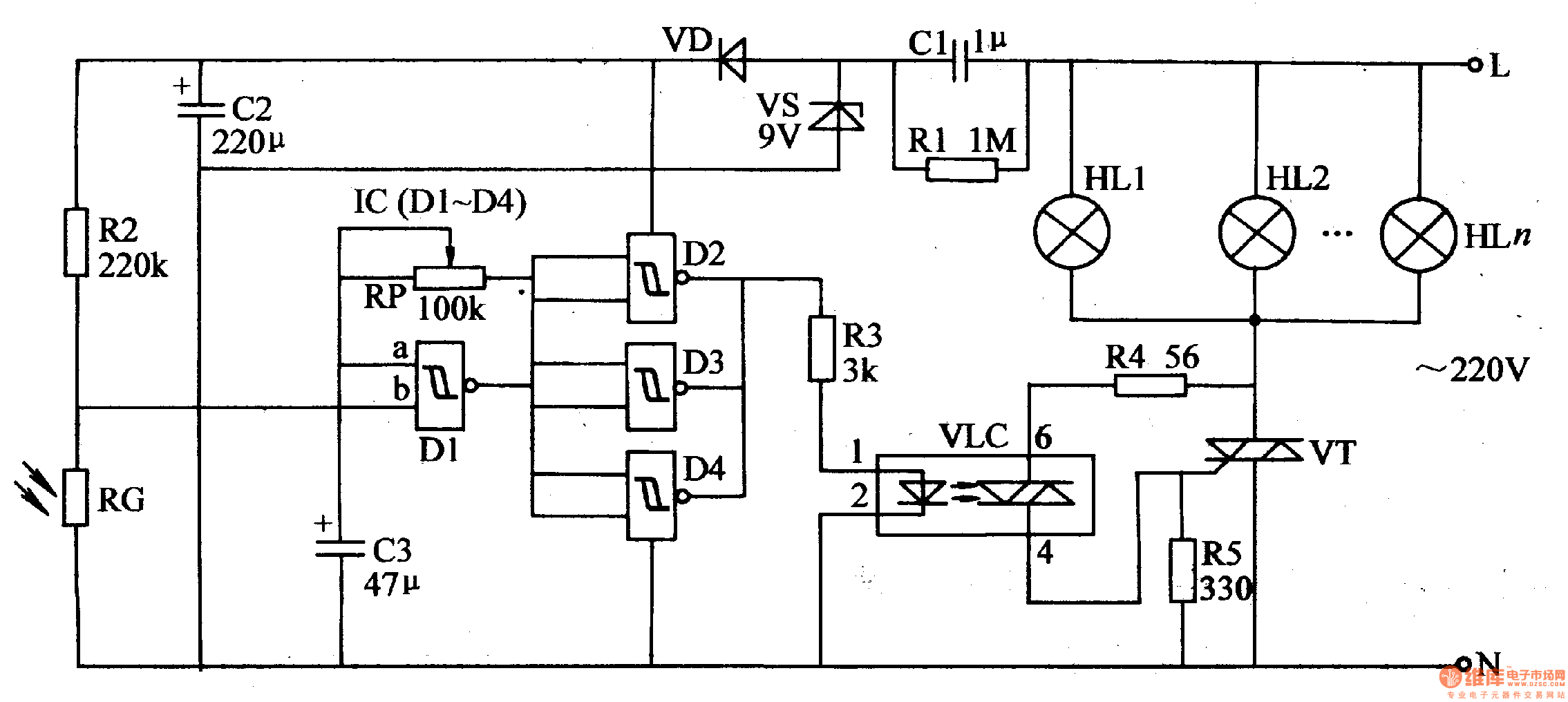
In the daytime, RG has a lowresistance valuebecause of the light. D1's b terminal has a low level and the oscillator doesn't work. D1 outputs high level. D2-D4 output low level. HL1-HLn are not illuminated.
At night, RG has a high resistance value. D1's b terminal has high level and the oscillator begins to work. VLC and VT are connected from time to time, which will make HL1-HLn twinkle. When the oscillator outputs negative pulse signal, D2-D4 output high level and VLC's LED is illuminated. HL1-HLn are illuminated. When the signal is positive, D2-D4 output low level, VLC and VT are disconnected. HL1-HLn are not illuminated.
Reprinted Url Of This Article:
http://www.seekic.com/circuit_diagram/Control_Circuit/Scintillation_Caution_Light_6.html
Print this Page | Comments | Reading(3)
Code: