Published:2013/3/29 4:30:00 Author:Ecco | Keyword: Series-Wound Direction , Speed Motor Control | From:SeekIC

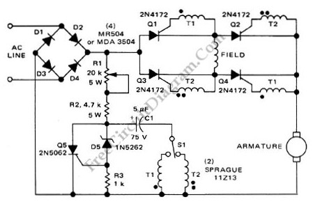
This is a motor controller circuit that control the speed and direction of series-wound Motors. This circuit employs silicon controlled rectifiers (SCR) Q1-Q4, that are triggered in diagonal pairs. The switch St is used to control which pair is turned on because either coupling transformer T2 or coupling transformer T1 is connected to a pulsing circuit by this switch. Here is the schematic diagram of the circuit:
Reprinted Url Of This Article:
http://www.seekic.com/circuit_diagram/Control_Circuit/Series_Wound_Direction_And_Speed_Motor_Control_circuit.html
Print this Page | Comments | Reading(3)
Code: