Published:2011/6/24 0:52:00 Author:TaoXi | Keyword: Simple, flashing light, thyristor | From:SeekIC

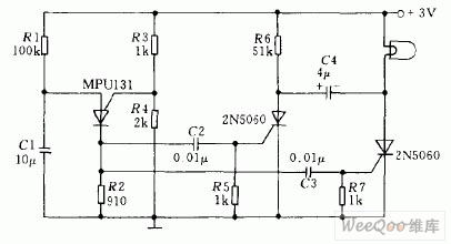
The MPU131 is designed as one kind of program-controlled thyristor that can be used in the relaxation oscillator circuit which is composed of the R1 and C1, the output of it respectively controls two unidirectional thyristors 2N5060 to make the low voltage (2V) indicator light to send out the timing flash.
Reprinted Url Of This Article:
http://www.seekic.com/circuit_diagram/Control_Circuit/Simple_flashing_light_circuit_with_the_thyristor.html
Print this Page | Comments | Reading(3)
Code: