About SeekIC | Services | Payment | Advertisements service | Contact Us | Links
© 2008-2012 SeekIC.com Corp.All Rights Reserved.
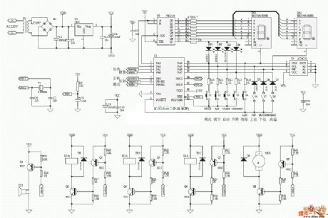
Published:2011/7/7 2:00:00 Author:Christina | Keyword: Single-chip microcomputer, fryer, control circuit | From:SeekIC

The Single-chip microcomputer fryer control circuit is as showni in the figure:
Reprinted Url Of This Article:
http://www.seekic.com/circuit_diagram/Control_Circuit/Single_chip_microcomputer_fryer_control_circuit.html
Print this Page | Comments | Reading(3)
Response in 12 hours
© 2008-2012 SeekIC.com Corp.All Rights Reserved.
Code: