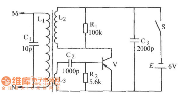
Published:2011/4/7 22:07:00 Author:Jessie | Keyword: Single pipe, transformer, oscillating | From:SeekIC

Reprinted Url Of This Article:
http://www.seekic.com/circuit_diagram/Control_Circuit/Single_pipe_transformer_oscillating_circuit_diagram.html
Print this Page | Comments | Reading(3)
Code: