Published:2011/7/8 7:35:00 Author:Sue | Keyword: Sound Control, Twinkling, Illuminations | From:SeekIC

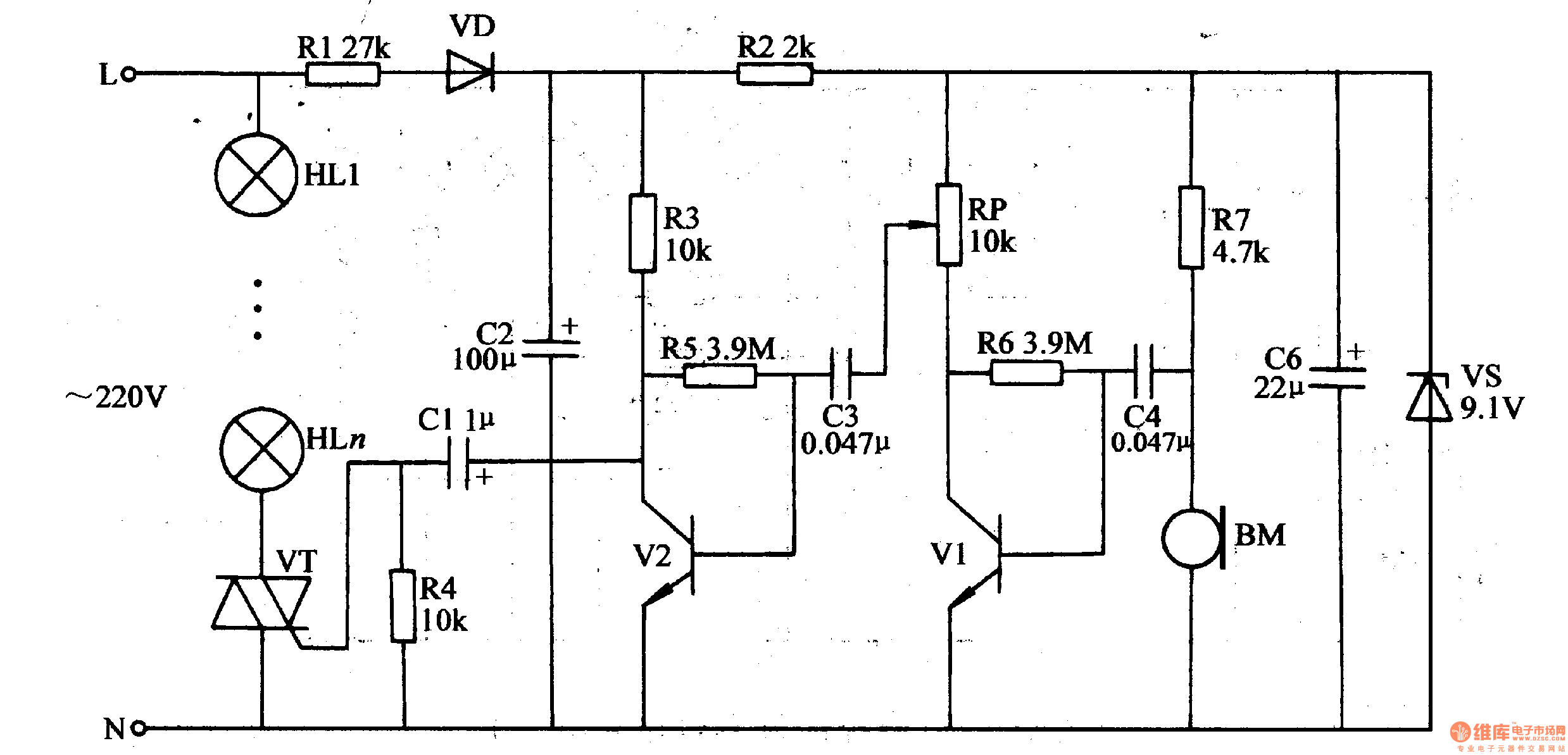
The 220v ac voltage will provide V1 and V2 with +9v working voltage after it is reduced by R1, rectificated by VD, filtrated by π formfilter(consists of C2,R2 and C6), stablized by VS.
BM will transform the audio signals it receives into electric signals, then through C4, the signals will be put to the amplifier which is composed of V1,V2 and the signals will be amplified.The amplified audio signals will be put on VT's gate electrode(G elecrode) through C1 which will control the connection and disconnection states of VT as well as theconduction angle. When there is no sound, VT is disconnected and illuminations HL1-HLn are not illuminated. The louder the sound is, the larger VT'sconduction angle is and the lighter the illuminations are.
Reprinted Url Of This Article:
http://www.seekic.com/circuit_diagram/Control_Circuit/Sound_Control_Twinkling_Illuminations_1.html
Print this Page | Comments | Reading(3)
Code: