Published:2011/5/26 7:49:00 Author:Christina | Keyword: breeding temperature, sea wave, sound circuit | From:SeekIC

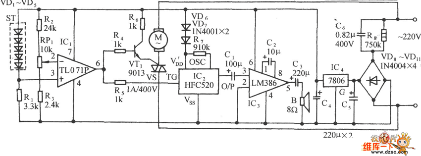
As the figure shows, it is composed of the temperature sensing device, the comparison circuit, the silicon-controlled rectifier control cooling circuit, the sea wave sound circuit and the AC step-down rectifier circuit.etc. This circuit has some points of features such as the wide temperature control range, the high control accuracy and the circuit is simple, practical.
Reprinted Url Of This Article:
http://www.seekic.com/circuit_diagram/Control_Circuit/Special_breeding_temperature_control_and_sea_wave_sound_circuit.html
Print this Page | Comments | Reading(3)
Code: