Published:2009/7/14 3:47:00 Author:May | From:SeekIC

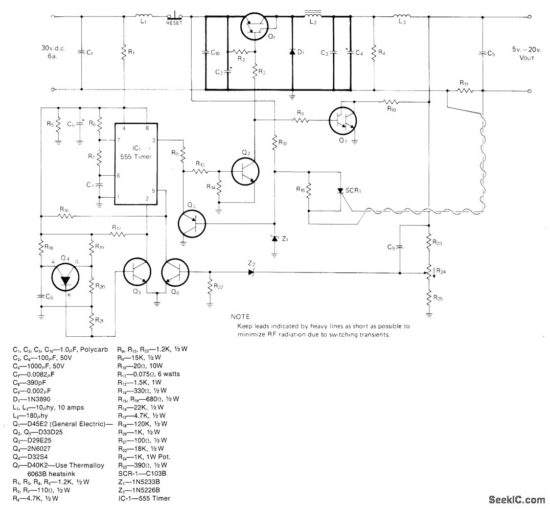
Unregulated DC voltage is applied to power Darlington Q1 serving as switch that chops voltage so rectangular waveform is applied to RLC output filter. Average voltage to filter depends on duty cycle of switch. 555 timer operates in mono MVBR mode as pulse generator and pulse-duration modulator. R24 applies varying voltage to pin 5 to modulate pulse duration linearly with respect to applied voltage, Actions of O1, Q2, and Q6 maintain constant 3.6 V at arm of control pot. Q4 and Q5 provide 20-kHz clock pulse, above audible range. Overcurrent protection of transistors is provided by R11, SCR, and Q3. Adjust R11 so SCR turns on and shuts down circuit when current through R11 reaches 8 A. Circuit must be reset manually after overload. Q7 and R10 load circuit to prevent oscillation at low output volt-age and light load.-R. J. Walker, A 150 Watt Switch-Mode Regulator, CQ, March 1977, p 40-43 and 74-75.
Reprinted Url Of This Article:
http://www.seekic.com/circuit_diagram/Control_Circuit/Switch_Control/150_W_SWITCH_MODE.html
Print this Page | Comments | Reading(3)
Code: