Published:2009/7/14 2:49:00 Author:May | From:SeekIC

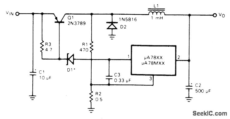
Choice of regulator in μA7800 series determines fixed output voltage. Devices are available for rated outputs of 5, 6, 8, 12, 15, 18, and 24 V, positive or negative, with output current ratings of 100 mA, 500 mA, or 1 A. If input voltage is greater than maximum input rating of regulator used, add voltage-dropping zener Dl to bring voltage between pins 1 and 3 down to acceptable level.- Signetics Analog Data Manual, Signetics, Sunnyvale, CA, 1977, p 668,
Reprinted Url Of This Article:
http://www.seekic.com/circuit_diagram/Control_Circuit/Switch_Control/5_24_V_SWITCHING.html
Print this Page | Comments | Reading(3)
Code: