Published:2009/7/14 4:01:00 Author:May | From:SeekIC

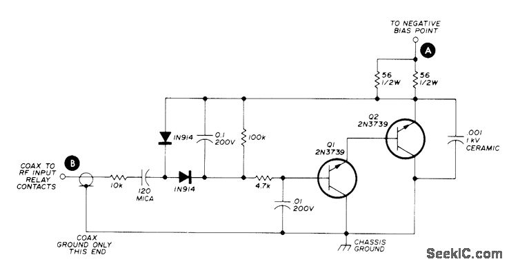
Automatic electronic bias switching improves efficiency of negatively biased linear class B RF power amplifier such as Heath SB-200 because no power is dissipated under no-signal conditions. Transistors are chosen to withstand maximum negative voltages switched, about -150 VDC. Capacitor across collector-base junction of Q1 can be adjusted to reduce turn-on time of switch. With no RE drive from transmitter, amplifier is biased to cutoff and plate current is zero. Switch will operate at RF threshold of about 2 V and apply class B bias voltage to amplifier. As RF drive is increased, plate current increases. With transmitter in SSB mode, plate current is zero with no speech. For speech, plate current increases with RF driving voltage.-F. E. Hinkle, Electronic Bias Switch for Negatively Biased Amplifiers, Ham Radio, Nov, 1976, p 27-29.
Reprinted Url Of This Article:
http://www.seekic.com/circuit_diagram/Control_Circuit/Switch_Control/BIAS_SWITCH.html
Print this Page | Comments | Reading(3)
Code: