Published:2009/7/6 2:15:00 Author:May | From:SeekIC


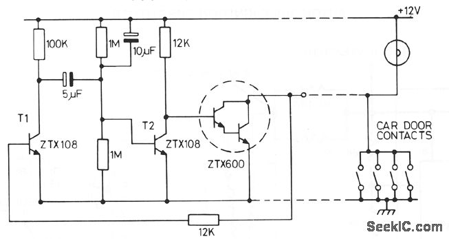
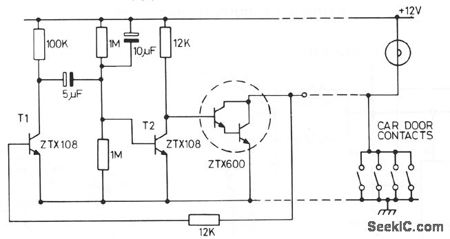
This circuit holds on the internal light for approximately one minute after the car doors are closed. When the door contacts open, a + VE pulse is applied to the base of T1. This transistor turns on, turning off T2 and charging the 10-μF capacitor. T3 turns on, holding on the intemal light . The capacitor takes one minute to discharge when the circuit reverts to its original state.
Reprinted Url Of This Article:
http://www.seekic.com/circuit_diagram/Control_Circuit/Switch_Control/COURTESY_LIGHT_DELAY_SWITCH.html
Print this Page | Comments | Reading(3)
Code: