Published:2009/7/14 0:55:00 Author:May | From:SeekIC

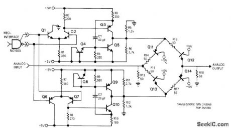
Analog signals up to 3 V P-P are switched in less than 3 ns to meet requirements of multiplexer and sample-and-hold portions of 100 Mb/s PCM telemetry encoder. Symmetrical drive circuits turn four-transistor diamond bridge on and off at 20-MHz clock frequency. Transient-coupled pullback transistors Q5 and Q9 speed turnoff. Typical rise time is 1,5 ns and fall time is 2 ns for 1-VDC analog input.-W. A. Vincent, Diamond Bridge Improves Analog Switching, EDN Magazine, Feb 15, 1971, p 41-42.
Reprinted Url Of This Article:
http://www.seekic.com/circuit_diagram/Control_Circuit/Switch_Control/DIAMOND_BRIDGE_ANALOG_SWITCH.html
Print this Page | Comments | Reading(3)
Code: