Published:2009/6/19 2:33:00 Author:May | From:SeekIC

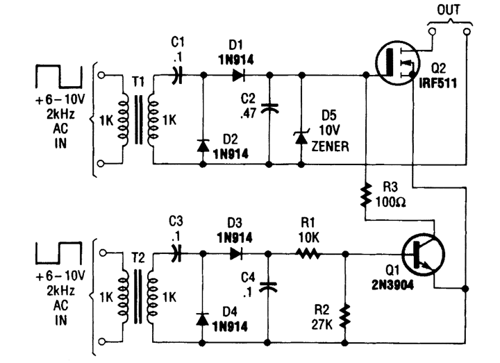
This dual-control switch uses two 6 to 10-Vac sources to trigger the circuit on and off; one source for each function.
Reprinted Url Of This Article:
http://www.seekic.com/circuit_diagram/Control_Circuit/Switch_Control/DUAL_CONTROL_HEXFET_SWITCH.html
Print this Page | Comments | Reading(3)
Code: