Published:2009/6/16 1:56:00 Author:May | From:SeekIC

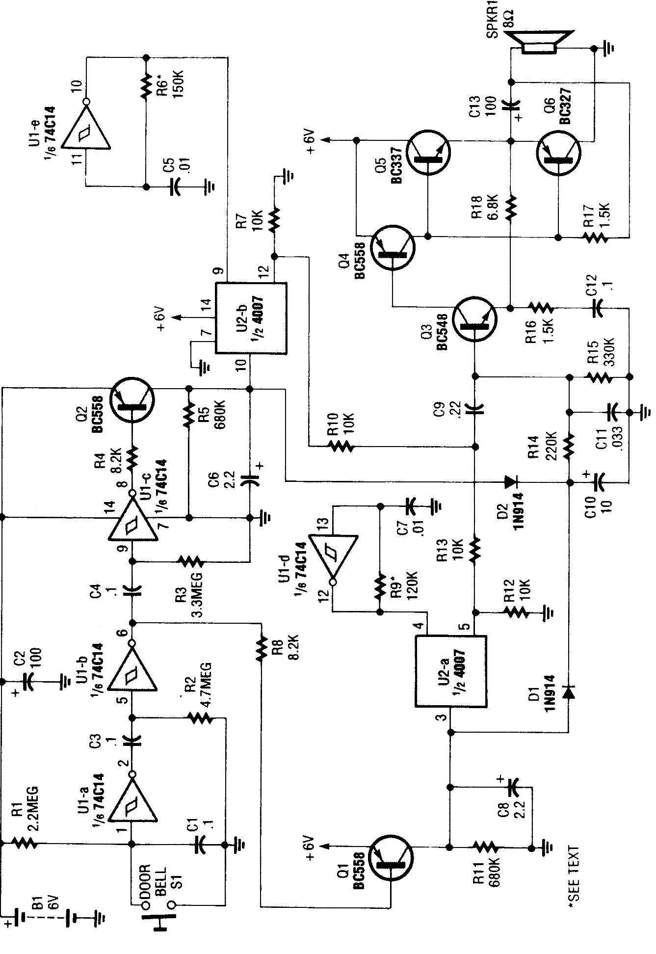
When the doorbell switch is pressed,the two monostable stages are activated in sequence,appling bias to a pair of voltagecontrolled resistor stages.These then modulate the outputs fro, a pair of tone generators.The resulting signals are fed to an audio amplifier,then to the speaker.
Reprinted Url Of This Article:
http://www.seekic.com/circuit_diagram/Control_Circuit/Switch_Control/ELECTRONIC_DOORBEL.html
Print this Page | Comments | Reading(3)
Code: