Published:2009/7/6 7:14:00 Author:May | From:SeekIC

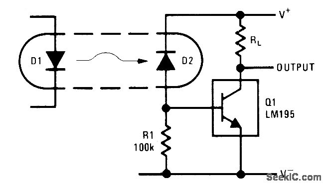
Uses almost any standard optoisolator. Less than 20μA is needed from photodiode D2 to tum LM195 power transistor fully on. Returning cathode of D2 to separate positive supply rather than to collector of al eliminates collector-base capacitance of diode and increases switching speed to 500 ns for 40-V 1-A load.-R. Dobkin, Fast IC Power Transistor with Thermal Protection, National Semiconductor, Santa Clara, CA, 1974, AN-110, p 5.
Reprinted Url Of This Article:
http://www.seekic.com/circuit_diagram/Control_Circuit/Switch_Control/FAST_OPTICALLY_ISOLATED_SWITCH.html
Print this Page | Comments | Reading(3)
Code: