Published:2009/7/14 0:50:00 Author:May | From:SeekIC

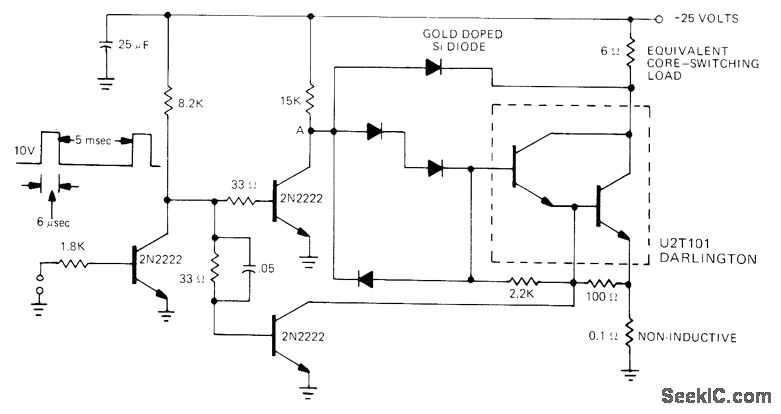
Darlington transistor driven by low-power current stage serves for saturating groups of ferrite cores in phased arrays for radar systems or in read/write core switching for memory systems. Circuit provides fast rise and fall times.- Designer's Guide to Power Darlingtons as Switching Devices, Unitrode, Watertown, MA, 1975, U-70, p 4.
Reprinted Url Of This Article:
http://www.seekic.com/circuit_diagram/Control_Circuit/Switch_Control/FERRITE_CORE_SWITCHING.html
Print this Page | Comments | Reading(3)
Code: