Published:2009/7/14 0:51:00 Author:May | From:SeekIC

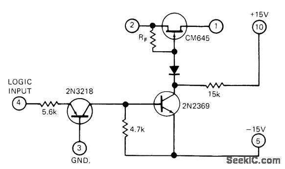
Simple level-shifting driver provides analog switching. Input of logic 1 makes emitter and collector current flow in input PNP transistor, for shifting from logic to -15 V. This current makes NPN transistor turn on so its collector is -15 V, diode is forward-biased, and FET gate is about -14.3 V. At logic 0, both transistors are off and driver output is at +15 V. Diode is now reverse-biased, turning FET on to provide desired switching action between outputs 1 and 2.-J. Cohen, Solid-State Signal Switching: Ifs Getting Better All the Time, EDN Magazine, Nov. 15, 1972, p 22-28.
Reprinted Url Of This Article:
http://www.seekic.com/circuit_diagram/Control_Circuit/Switch_Control/FET_ANALOG_SWITCH.html
Print this Page | Comments | Reading(3)
Code: