Published:2009/7/5 23:04:00 Author:May | From:SeekIC

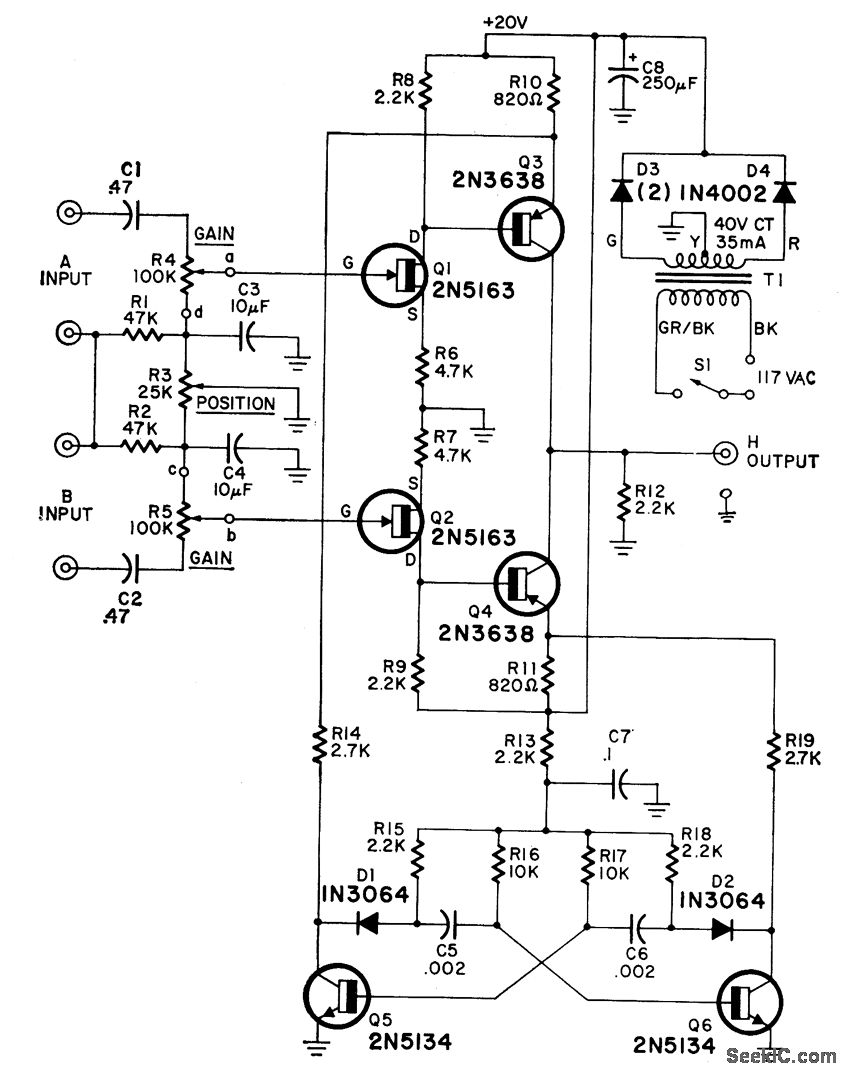
The switcher output goes to the single vertical input of the scope,and a sync line from one of the Inputs is taken to the scope's external-Sync Input.Frequency response of the input amplifiers is 300 kHz over the range of the gain controls.With the gain controls wide open so no attenuatjon of the signal takes place,the frequency response is up to 1 MHz
Reprinted Url Of This Article:
http://www.seekic.com/circuit_diagram/Control_Circuit/Switch_Control/FET_DUAL_TRACE_SCOPE_SWITCH.html
Print this Page | Comments | Reading(3)
Code: