Published:2009/6/19 2:27:00 Author:May | From:SeekIC

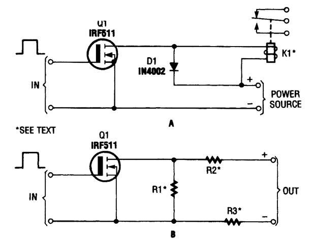
The hexFET can switch dc power to relays (as shown in A), motors, lamps, and numerous other devices. That arrangement can even be used to switch resistors in and out of a circuit, as shown in B. R1, R2, and R3 represent resistive loads that can be switched in and out of the circuit.
Reprinted Url Of This Article:
http://www.seekic.com/circuit_diagram/Control_Circuit/Switch_Control/HEXFET_SWITCH.html
Print this Page | Comments | Reading(3)
Code: