Published:2009/6/24 3:05:00 Author:May | From:SeekIC

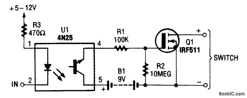
This dc-controlled switch uses an optoisolator/coupler,U1,to electrically isolate the input signalfrom the output control device.
Reprinted Url Of This Article:
http://www.seekic.com/circuit_diagram/Control_Circuit/Switch_Control/ISOLATED_SWITCH.html
Print this Page | Comments | Reading(3)
Code: